Système de réacteurs pharmaceutiques
Les applications pharmaceutiques ont guidé la conception
Si vous voulez voir le processus et que vous avez besoin de chauffer et de refroidir rapidement !
Le Pharma Reaction System est conçu sous une forme compacte pour des capacités standardisées de 16 à 63 l. Les systèmes combinant un récipient émaillé avec un dôme en verre pour une observation parfaite du procédé peuvent être réalisés jusqu'à 630 l.
Système de réacteurs pharmaceutiques
Les applications pharmaceutiques ont guidé la conception de cet équipement.


Points forts du réacteur QVF®-Pharma
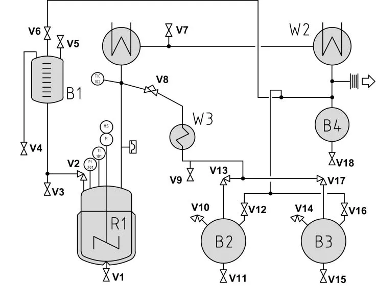
Fonction
Le réacteur QVF® Pharma est un système de réacteur modulaire spécialement conçu pour les processus de réaction et de distillation. L'étape de réaction se déroule en conditions de reflux total, suivie d'une étape de distillation au cours de laquelle les solvants volatils sont efficacement éliminés.
Le système offre une grande flexibilité et peut fonctionner sous une légère surpression (jusqu'à 0,5 barg) ainsi qu'en conditions de vide.
Matériaux de construction.
Le système utilise des matériaux haute performance pour garantir fiabilité et résistance chimique :
• Verre borosilicaté 3.3 – hautement résistant aux produits chimiques et thermiquement stable
• Acier émaillé – robuste et résistant à la corrosion
• PTFE (polytétrafluoroéthylène) – inerte et résistant aux produits chimiques agressifs
Cette combinaison de matériaux rend le système parfaitement adapté à la synthèse pharmaceutique, à la recherche chimique, aux réactions à l'échelle du laboratoire, au traitement à l'échelle pilote et aux applications conformes aux BPF. Version compacte
Volumes standardisés de 16 à 63 L dans une version compacte peu encombrante
Description
| Récipient (l) | Zone de chauffage area (qm) | W1 (qm) | W2 (qm) | B1 (l) | B2/B3 (l) |
| 16 | 0.25 | 10 | 0.2 | 5 | 5 |
| 25 | 0.37 | 10 | 0.2 | 10 | 10 |
| 40 | 0.53 | 2x0.7 | 0.3 | 20 | 20 |
| 63 | 0.75 | 2x1.0 | 0.3 | 20 | 20 |
Concept
Le réacteur à revêtement en verre est conçu pour les processus pharmaceutiques et chimiques conformes aux BPF ; il offre une excellente résistance à la corrosion, une grande facilité de nettoyage et une sécurité de processus optimale. Ses principales caractéristiques comprennent une bride monobloc pour un raccordement conforme aux BPF, une chemise de chauffage jusqu'à la bride, une vanne de vidange inférieure à espace mort minimal et une chemise isolante en acier inoxydable entièrement soudée avec une isolation en verre cellulaire.
L'intérieur en émail blanc garantit une inspection visuelle optimale.
L'ensemble de distillation est conforme à la directive sur les équipements sous pression, et tous les composants en verre à partir de DN25 portent le marquage CE. Les conduites de produit sont installées avec une inclinaison de 5° pour un drainage complet, et le condenseur incliné est équipé d'une buse de nettoyage. Le récipient collecteur peut être vidé et rincé pendant le fonctionnement.
Une vanne d'échantillonnage intégrée permet un prélèvement en toute sécurité, même sous vide.
Les brides plates QVF® SUPRA, avec des surfaces d'étanchéité polies au feu et une rainure de joint de précision, garantissent un espace mort minimal et assurent le positionnement correct du joint GMP.
La version de base du Pharma Reaction System comprend une instrumentation complète couvrant toutes les fonctions essentielles : surveillance précise de la température du contenu du récipient et du distillat, ainsi qu'indication de la pression de service via un manomètre à membrane en tantale. Un disque de rupture assure une protection fiable contre la surpression. La vitesse de rotation de l'agitateur à hélice revêtu de verre peut être réglée en continu à l'aide du volant situé sur l'entraînement.
Tous les instruments peuvent être facilement associés aux vaisseaux correspondants.


Caractéristiques techniques
| Réacteur nominal | l | 16 | 25 | 40 | 63 |
| Diamètre nominal du réacteur | DN | 300 | 450 | 450 | 450 |
| Diamètre nominal du réacteur | m² | 0.25 | 0.37 | 0.53 | 0.75 |
| Condenseur | m² | 1 | 1 | 2x0.7 | 2x1 |
| Refroidisseur de distillat cooler | m² | 0.2 | 0.2 | 0.3 | 0.3 |
| Cuve d'alimentation | l | 5 | 10 | 20 | 20 |
| Réservoir de distillat | l | 2x5 | 2x10 | 2x20 | 2x20 |
RÉACTEUR INNOVANT
Le récipient de réaction émaillé développé par De Dietrich Process Systems associe les caractéristiques spéciales suivantes :
Bride du bloc supérieur pour la connexion au couvercle en verre au moyen d'un joint BPF
Enveloppe chauffante jusqu'à la bride
Supports sans pont thermique
Bride de bloc avec une soupape de sortie inférieure avec un espace mort minimal
Enveloppe d'isolation polie avec verre cellulaire, acier inoxydable, soudée de façon étanche
Émail blanc pour améliorer le contrôle visuel
Options
Le système de réaction Pharma de base est modulaire et peut être complété par les options suivantes :
- Dispositif de levage hydraulique pour la cuve de réaction
- Séparateur de phases
- Indicateur de vitesse électronique
- Version haute pression
- Composants en verre revêtu
- Joint mécanique à double effet
- Agitateurs de type ancre, turbine et hélice
- Contrôle du processus
Vous avez une question ?
Nos équipes sont prêtes à collaborer avec vous et à fournir des solutions pour vos projets
Documents à télécharger
Demande de téléchargement
Afin de traiter efficacement votre demande de brochure, nous vous demandons de bien vouloir fournir les informations requises à l'aide de notre formulaire.